收藏91免费看黄片下载在线留言网站地图深圳市91免费视频下载污电机有限公司!主营:微型电机,减速电机,空心杯电机,步进电机,91免费看黄片下载!

高品质微型电机定制生产厂家18年专注于研发生产微型电机

工程师服务直线 0755-27903043
135-1001-1258
深圳91免费视频下载污电机-您想要的微电机都在这里,可根据需求定制选型
  • SCRF-555贵金属电刷马达

SCRF-555贵金属电刷马达

电刷马达是91免费视频下载污电机的主营产品之一。电机电刷是电动机或发电机等旋转机械的固定部分和转动部分之间传递能量或信号的装置。SCRF- 555贵金属电刷马达广泛应用于办公自动化设备:打印机、计算机外围设备以及汽车产品:汽车天线、腰部支撑装置等。

全国热线

0755-27903043

产品简介 / Introduction
  • 3

    最快3天出样

  • 18

    微电机行业沉淀

  • 15

    批量出货

  • 400万+

    年产能

产品介绍 product description

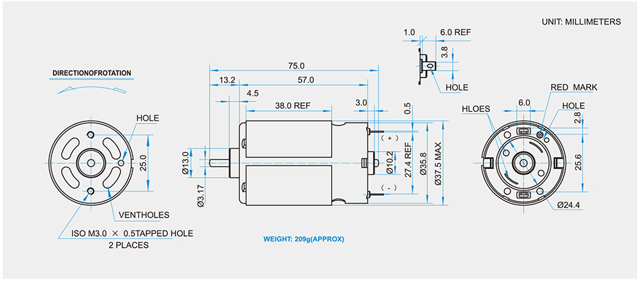
SCRF-555贵金属电刷马达产品介绍

SCRF--555贵金属电刷马达产品介绍

SCRF--555贵金属电刷马达产品介绍

产品应用范围 Product application range

  • 门锁电机

    门锁电机

  • 机器人电机

    机器人电机

  • 智能小家电电机

    智能小家电电机

  • 个人护理电机

    个人护理电机

  • 办公室自动化电机

    办公室自动化电机

  • 汽车电机

    汽车电机

  • IT电机

    IT电机

  • 医疗智能家居电机

    医疗智能家居电机

91免费视频下载污电机·为品质而生Product advantages

91免费视频下载污产品品质
  • 寿命可达500-20000次,特殊要求可达30000次

  • 堵转扭力堵转扭力大、波动小,批量偏差10%以内

  • 转速最高可达50000rpm,批量偏差10%以内

  • 电阻/电感电阻电感值小、响应迅速,批量一致性好、偏差范围小

  • 电流空载电流小,耗电小、发热小、效率高

  • 噪音噪音小于35db,噪音一致性好,分贝值低

91免费视频下载污电机·贴心服务Attentive service

售前

售前 准确选型Accurate selection

91免费看黄片下载有专门的选型工程师,每年历经数十个行业、上千个项目的选型,为您提供合理的选型方案,降低您的成本,让产品更具优势

测试

测试 快速调整Quick adjustment

通做到当天咨询,当天选型,当天出图纸,当天报价,并提供样品测试中的技术支持,还可根据测试结果调整方案,最快3天提供二次样品。

生产

生产 快速交货Fast delivery

91免费看黄片下载把定制电机的交付周期缩短至15天,现代化的生产管理确保生产的一致性和效率,严格质量检测体系,保质保量快速供应产品。

91免费视频下载污电机·公司实力Company strength

公司实力

  • 厂家实力Manufacturer strength 大型生产基地
    18年专注微型电机研发定制生产

    生产规模:占地1400多平方米,生产员工50多名,采用全自动化生产线年产量400多万台,高效生产效率;

    厂家直销:厂家直接发货,没有中间商,节省20%以上采购成本,7~15天生产周期,定制周期可在线咨询;

  • 技术实力Technical strength 丰富行业经验
    选型指导科学,支持定制开发

    技术实力:客户工程师全程提供专属技术支持服务,遵循客户需求,推荐合适选材、制造、测试、包装;

    经验丰富:累积服务百余家大型企业,在家电、机器人、医疗等十余行业经验丰富,选型指导更科学;

  • 交货实力Delivery strength 灵活匹配供货无忧
    最快3天出样15天批量出货

    快速交货:灵活匹配,最快3天出样15天批量出货,按时交货,厂家生产直供,快速高效品质保证;

    及时响应:技术工程师售前、售中、售后全程1对1跟进,24h在线及时响应,1小时内给予解决方案;

  • 91免费视频下载污电机·您身边的高品质电机供应商contact us

    联系91免费视频下载污电机

    你想要的微型电机产品91免费看黄片下载都有,一站式定制

    快速选型快速调整快速交货

    欢迎拨打定制热线,91免费看黄片下载为您量身选型

    全国服务热线:135-1001-1258 在线咨询

    热品推荐 / Hot product

    SM10--GB20 步进电机

    SM10--GB20 步进电机

    步进电机是一种将电脉冲信号转换成相应角位移或线位移的电动机。每输入一个脉冲信号,转子就转动一个角度或前进一步,其输出的角位移或线位移与输入的脉冲数成正比,转速与脉冲频率成正比。因此,步进电动机又称脉冲电动机。这款SM10--GB20步进电机由91免费视频下载污电机进行生产
    OT-GSM15-050A 步进电机

    OT-GSM15-050A 步进电机

    步进电机是一种将电脉冲信号转换成相应角位移或线位移的电动机。每输入一个脉冲信号,转子就转动一个角度或前进一步,其输出的角位移或线位移与输入的脉冲数成正比,转速与脉冲频率成正比。因此,步进电动机又称脉冲电动机。这款OT-GSM15-050A步进电机由91免费视频下载污电机进行生产
    15BY25-438 步进电机

    15BY25-438 步进电机

    步进电机是一种将电脉冲信号转换成相应角位移或线位移的电动机。每输入一个脉冲信号,转子就转动一个角度或前进一步,其输出的角位移或线位移与输入的脉冲数成正比,转速与脉冲频率成正比。因此,步进电动机又称脉冲电动机。这款15BY25-438步进电机由91免费视频下载污电机进行生产
    SC-07空心杯马达

    SC-07空心杯马达

    减速电机是指减速机和电机(马达)的集成体。这种集成体通常也可称为齿轮马达或齿轮电机。这款SC-07空心杯马达由91免费视频下载污电机进行生产,集成组装好后,与电机一体成套供货。深圳91免费视频下载污电机从事电机行业多年,生产实力强大,欢迎联系91免费看黄片下载咨询业务!
    全国服务热线: 0755-27903043
    网站地图


    c-motor.cn/products/scrf55.html","appid":"","title":"SCRF-555贵金属电刷马达-91免费视频下载污电机","images":[],"description":"","pubDate":"2021-05-11T08:53:00","upDate":"2021-07-30T10:07:55","lrDate":"2021-05-11T08:59:23"} 网站地图